Common Myths about Frequency Shifters
-
"A Pitch Shifter produces harmonic sounds, but
a Frequency Shifter will always produce non harmonic output"
Not true. True is that a PS preserves the relationship
between the harmonics of the input signal, while the FS shifts each harmonic
by a fixed amount. But if the shift frequency is a harmonic or subharmonic
of a monophonic audio signal to be shifted, the result can be harmonic
too. 1V/Octave tracking is important if you want to do such "harmonic frequency
shifting" on a sampled sound, for example.
-
"A Frequency Shifter is only good to produce strange
noises"
Not true. Apart from the tracking method described
above, there is the very interesting region of very small frequency shifts
(a fraction of one Hz). Wonderful lush Phasing can be produced. Slightly
detuning a sound with a FS will result in constant beat rate for all harmonics
which creates a very different chorus effect than a standard (delay, i.e.
pitch shifting based) chorus circuit.
-
"A cheap FS is enough to experience the typical range of FS effects."
Not true. Truth is that you can produce the "strange noises" with a
cheap FS like the one of a certain German low budget Modular Synthesizer
manufacturer. But that's not the interesting stuff, really. And a simple
ring modulator will produce strange noises, too.
-
"A Frequency Shifter needs expensive and exotic components."
Not true. Even high priced precision multipliers like the AD633 won't
ensure that the carrier is suppressed completely. There's too many other
parameters that have an influence. OTAH, cheap HF-type balanced modulators
and a compander system built from cheap standard OTAs will do the job.
There is a lot of components, and a lot of patience for measurements and
adjustment required, but nothing really expensive. As with any other analogue
musical circuit, the enclosure and front panel components are the most
expensive parts.
Building a high quality Frequency Shifter from standard
components
I had started with a BFO design like the Moog / Bode
and Electronotes shifters, but I ran into severe problems when I tried
to get very low shift (fractions of one Hz). Now, thru-zero operation was
the reason why I tried the BFO method, but several people convinced me
that the slightest jitter in either of the HF oscillators would result
in severe phase errors near zero Hz Beat frequency.
So I designed a base band Sin / Cos VCO that can
go thru zero. This is achieved by full wave rectifying the frequency control
voltage, and changing the "spinning direction" of the sin / cos oscillator
with the Sign of the same control voltage. It took me some time to figure
a practical circuit out, but in the end it was simply combining an idea
from Electronotes (for a "simple", i.e. not quadrature, VCO), with a tri-shaped
quadrature oscillator from Tietze/Schenk, "Halbleiterschaltungstechnik".
The VCO runs from -20kHz to +20kHz, and it is no problem to set it to something
like 0.1 Hz as well. There are linear (thru-zero) inputs and exponential
(V/Oct) Inputs.
Another circuit detail is the use of one cheap
chip, the MC1496, to get both, low-distortion tri-to-sine-shaping (degenerate
emitter method), and multiplying audio signal and carrier, at the same
time.
Carrier suppression of this system wasn't that
bad (never measured it, but I think it's way below -60dB), but I thought
a compander system would be nice to reduce the noise of the multipliers
and to quiet the carrier completly when there is no input signal. (I don't
like the idea of noise gate thresholds, and there's a hint in the Serge
catalog that they do it in a similar way.) So I took the compander circuit
of the Roland VP-330, and adjusted time constants for an application where
input- and output waveforms aren't similar anymore.
The Hilbert Transform approximation (or "dome
filter" in Moog speak) is a direct copy of the Electronotes 12-pole design.
Schematics and Diagrams
-
Front panel construction drawing
Hand drawn on squared paper. Not nice to look
at, but helpful to get an overview over the FS-1's functions.
Note: The "Direction" input is an additional
means to reverse the direction of the VCO. Schemos not shown - it's just
an EXOR function built with another opamp. In total, the FS-1 has three
ways to go "thru zero": The center position of the "Linear" knobs (and
the related modulations), changing between "+" and "-" in each output section,
and a footswitch connected to the "Direction" input.
-
Linear / Exponential Frequency
Control / Direction Control circuit
The thru zero operation works with a full wave
rectifier for the linear control voltage. "Magnitude" sets the reference
current for the exponential current source, and "Sign" switches the direction
of both integrators in the the oscillator. At very small frequencies, the
"sign" can oscillate between the two states at several kHz. But as this
only happens when the integration time constants are in the range of several
seconds, there is enough "inertia" to filter it completely out.
Unlike other frequency shifters that work with
the BFO method, the exponential CV input can be used to transpose the frequency
shift by a 1V/Octave factor without offset problems.
Note: The linear and exponential modulation paths
are slightly different in the final version than in this drawing. For example,
External Modulation has a switch to linear or expo control, and not separate
inputs. But you can easily figure this out from the frontpanel.
-
VCO Core
Produces two triangle waves with a phase difference of 90 degrees from
subaudio thru the whole audio range.
-
Simulation Plot of Quadrature
Thru Zero VCO
It takes some time (at least for me) to understand
what modulation from positive to negative frequencies means for each waveform
of a Quadrature Oscillator. This Diagram may help; it shows what happens
when the frequency is switched from positive to negative frequency (Modulation
with a step, at 6ms). It clearly shows how both output waves simply reverse
direction, regardles of their momentary voltage when the step happens.
With continuous modulation waveforms, there would not be an immediate change
of direction, but the frequency would be decreased to zero, and then increased
again, with phase reversed. Think of a spinning wheel that is slowing
down and finally begins to spin in the opposite direction.
-
Triangle-to-Sine Shapers and Modulators
An MC1496 is used for both, 4-quadrant multiplication, and precision
triangle to sine shaping. The Sine waveform is much better than from an
overdriven CA3080. Two identical circuits for multiplication of normal
(cos) and quadrature (sin) signals.
Important: The SigSin and SigCos signals must be AC coupled. The capacitors
for this are at the outputs of the dome filter. This was a deliberate choice:
If you don't want to build the whole Frequency Shifter, but you're probably
looking for a nice standalone Quadrature Thru Zero VCO, or even just for
a stand alone tri->sine converter, you can use this Modulator circuit almost
unchanged: Just connect the Signal inputs to GND, and one input of the
multiplier will be stuck at its limit, and you get the pure waveshaper
function. You might have to reduce the 270k resistors at the output opamp
to get a smaller output level.
-
Noise Reduction
The enemy of every Frequency Shifter is a carrier bleeding thru, especially
when the signal input is low. The common solution for this is a squelch
or noise gate at the output.
I can proudly say that the carrier bleedthru is way down in my FS anyway,
but if you listen carefully, it's there. So rather than trying to push
it from -50dB or -60db (not measured!) to -70dB or more, and rather that
cutting low level signals brutally off with a noise gate, I decided for
a compander system. It's widely taken from Roland's VP330 Vocoder, and
after changing the time constants a little, it made an excellent job. The
FS-1 is completely quiet with no input signal, and the compressor works
very smooth. The envelope detector also serves as optional modulation source
for the amount of frequency shift.
Note the "ModGND" connection at the input of the expander. When you
have the modulators on a separate board that the compander, the two grounds
are not exactly the same. Use shielded cable from modulator to expander
and connect the GND from the modulator board to the "ModGND" point on the
compander board. This gave 10dB improovement on carrier suppression in
my unit.
-
Input Amplifier
A more or less standard SSM2017 application. A 3p4t rotary switch is
used to make a coarse gain adjustment, sensitive enough at one end for
a Shure SM58 from a distance of a few meters, enough attenuation for a
20Vpp modular synthesizer signal at the other end. A second, unbalanced
input is useful if you want to include the FS-1 into the feedback loop
of an echo machine (Each reflection with increasing or decreasing pitch).
-
Dome Filter
Approximation of the Hilbert transform function inside the audio band.
It does not require trimpots, but it takes some work to select the components.
Procedure is described here.
-
Simulation Plot of Dome Filter
The diagram shows the phase of the two all pass
filter chains, and the phase difference between them. It's almost constant
at 90 degrees over the whole audio range.
-
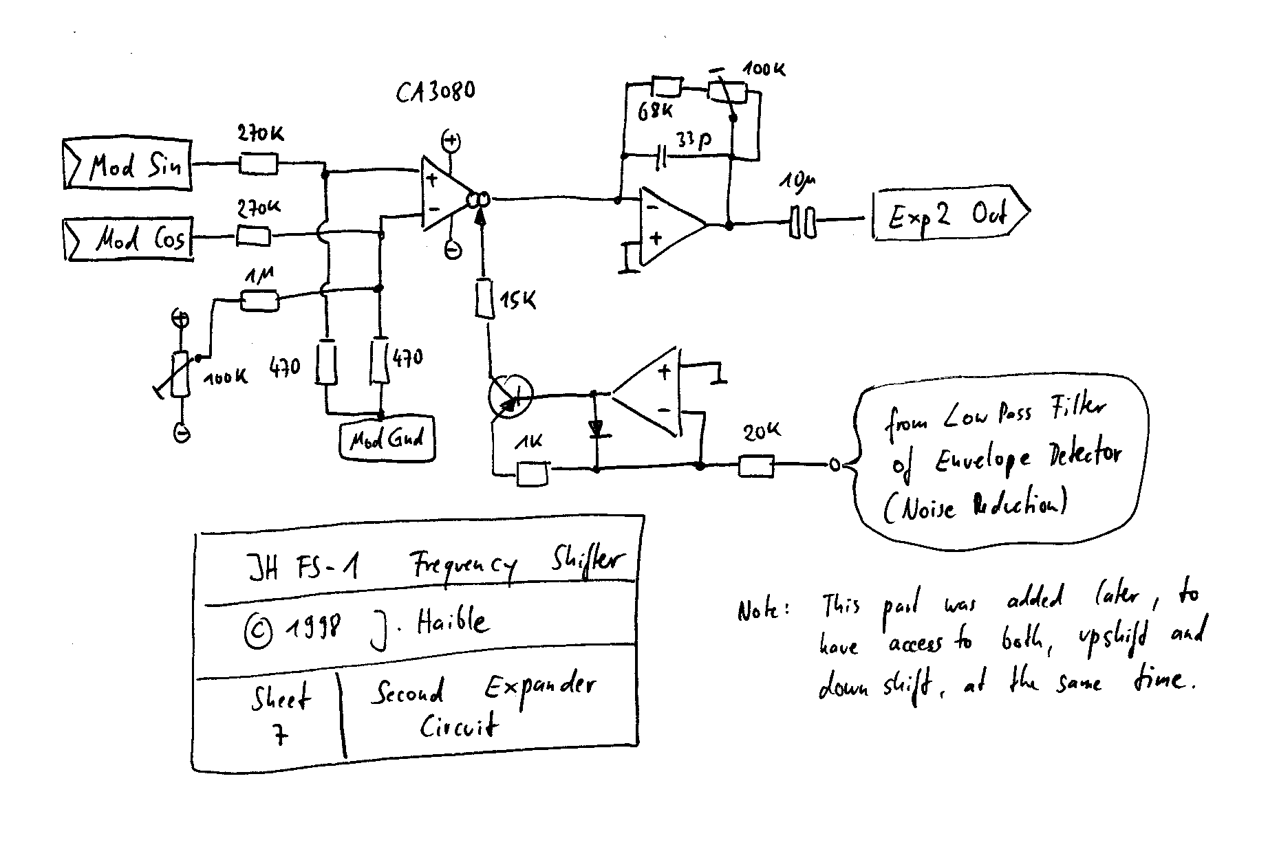
Second Expander
For a second output, the expander part of the noise reduction must
be duplicated. I used an LM13700 for the compressor and first expander,
because the two OTAs inside are matched. For the second expander, a CA3080
and a separate voltage to current converter was needed.
The 20k resistor is no typo. The 13700 branch has 10k, because it needs
the double control current for two Iabc inputs in parallel. Take care for
the "ModGND", too.
-
Output Amplifiers
You can select up/down shift, wet/dry mix, and output level for two
outputs independently. Good for echo stuff and stereo processing. Stereo
phasing at a shift of 0.1 ... 0.5 Hz can be quite impressive.
-
Modulation Generator
Rectangle, "Sine" (no precision here !), or envelope can be used to
modulate the amount of frequency shift in a linear or exponential way.
-
Not shown:
Some of the smaller stuff, like footswitch input or LED driver and
external modulation input. I hope the drawings resemble the thing I've
built more or less now. I don't remember which opamps exactly there are
at which place, but the ones that are listed in the schemos should work.
There will probably be some error or the other in the drawings. Don't blame
me - make sure that you have understood everything before you start building,
and feel free to give me feedback if you found an error, if you have comments,
or if you just have sucessfully built this thing !
One final remark: The free evaluation version of PSpice was very helpful
to optimize these circuits.