Jürgen Haible - Schematics
 
 
 
back to my homepage 
 

Available Now: 
my new CD "Dark November" ===================>

One-OTA Ring Modulator (from JH-1)
This is surely not the world's most linear ring modulator. If you're going to build your first ring mod, I recommend a MC1496 balanced modulator design. If you already have a few ring mods, however, you might want to try this one-OTA version for it's special sound and unique nonlinearities.
I have included it in my schemos collection because it was the very first one I designed.

Analog shift register (from JH-3)

Quadrature VCO (from JH-3)
Based on a circuit in Tietze/Schenk's "Halbleiterschaltungstechnik". This is *not* a state variable design (as it might look like at first glance), but a schmitt trigger / integrator *triangle* VCO, with an extra comparator and integrator to produce a 90 degree phase shifted second triangle wave. Triangle waves are then converted to sine/cosine waves by overdriving two OTAs. This module is nice as modulation source, but it's not exactly a high precision circuit. For a more advanced Quadratature VCO, see the Frequency Shifter Schematics.

VariLogic (from JH-3)
AND, NAND, OR, NOR, XOR, XNOR selectable with two switches.
Also works as Inverter and Switch Trigger input.

Voltage Controlled Divide by N (from JH-3)
I prefer this way of clock division to the "digital" FlipFlop / Counter method. The circuit works nicely for both clock division and at audio frequency (subharmonic generator).

VCA / Inverter/ Overdrive (from JH-3)
One input is routed to the output via two separate paths: One VCA with zero to positive unity gain (approx.), and one manually adjustable path with zero to rather high negative gain. The output voltage is clipped by a set of zener diodes, so the module can also act as Overdrive / Distortion device.

Frequency Shifter Schematics (from JH FS-1)
My frequency shifter doesn't use the BFO method for generating the Sine and Cosine modulation waveforms. I have built a Quadrature VCO with thru-zero FM capabillity instead. A pair of LM1496's is used for triangle-to-sine waveshaping and 4-quadrant multiplication. A compander system (borrowed and slightly adapted from the Roland Vocoder Plus) is used to get rid of both noise and carrier bleedthru.
The Hilbert transformation of the audio signal is performed by a set of all pass filters from Electronotes.

SSM2040 Style 4 pole Filter
In my opinion, the SSM2040 was the best filter chip ever produced. Here's a discrete version of this famous filter, that reproduces the original sound. A lot of component selection is needed (matching transistor pairs). The circuit is *not* a pin for pin replacement (though it's easy to adapt it to be one), and it has a voltage controlled Resonance path added. (There'a little error in the drawing: the pnp current mirrors have C and E mixed up.)

Sanple & Hold / Glide  (from JH SYNTHI CLONE)

Interpolating Scanner  (from JH-3)

Filter Scanner (from JH-4)
Smaller  version of the Interpolating Scanner, as used for Filter Mode Control in JH-4. Triangle functions are not equally spaced here, but optimized for the multimode filter.

Dual VCO (from JH-3)
Based on the (now long obsolete) CEM3340, so I don't really recommend to build this circuit (Save those 3340's as replacement parts for the polysynths which need them ! ) - but you might find the linear thru-zero FM feature interesting for other triangle-based VCOs.

JH Wasp Filter Clone
The EDP Wasp has a very special implementation of the classic state variable filter: opamps are replaced by unbuffered CMOS inverters. My clone has a Notch Filter mode added, plus a distortion and speaker simulator section.

A very simple ADSR / LFO circuit
Designed for the wasp Filter Clone, powered by a single 5V supply.

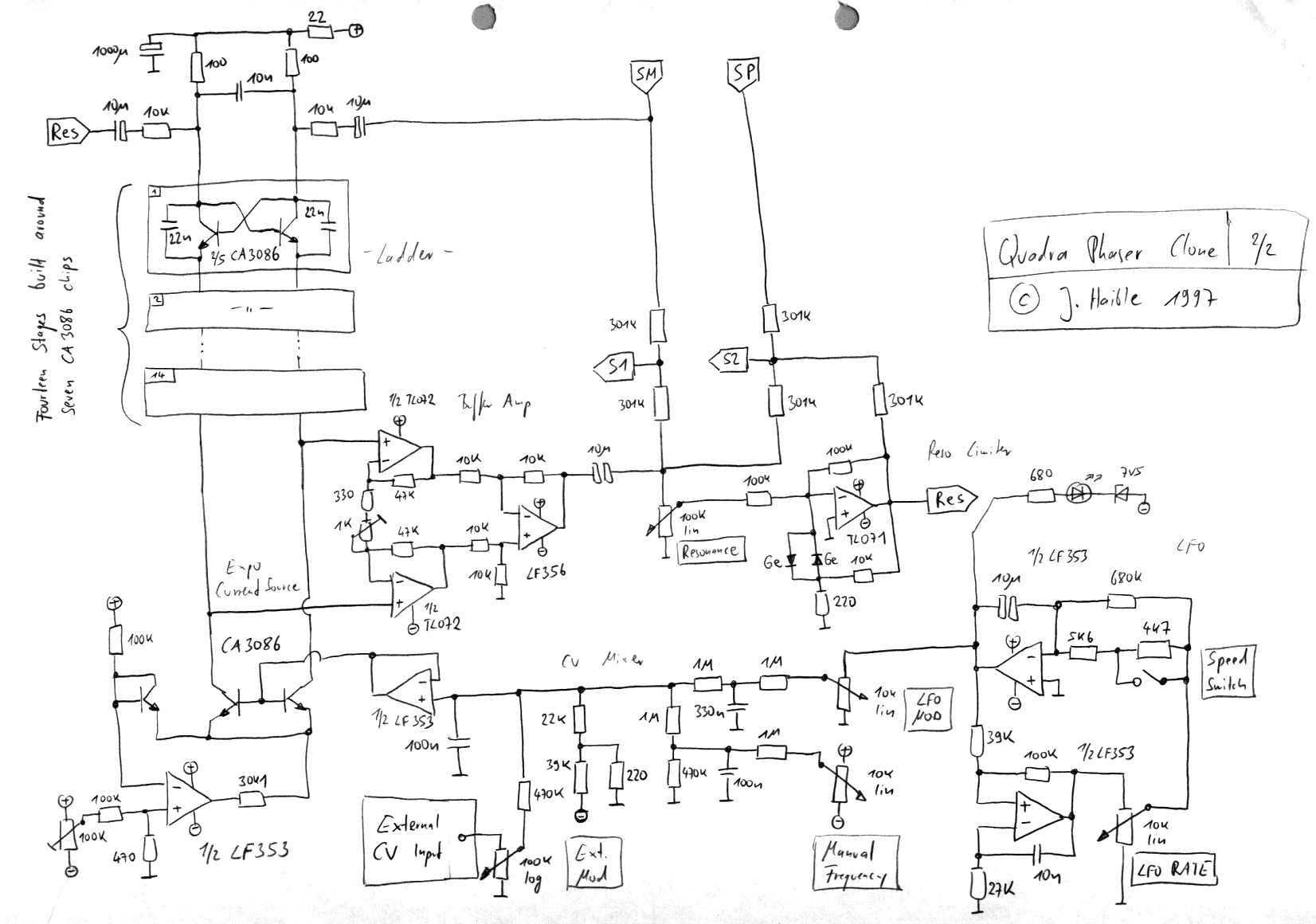
A (slightly modified) ARP Quadra Phase Shifter as a standalone unit. It's a 14 Stage phaser built around a transistor ladder, and it sounds quite different than any other phaser I've heard. Construction is very compact - everything is on a 16cm x 10cm Euro card - you will need small components if you are going to use my pcb design.
Schematics 1   Schematics 2   PCB layout   Component Overlay
This unique Phaser was originally designed by Paul DeRocco, Joe Lemansky and Tim Gillette of ARP. In my version, as it is published here, I have replaced the differential buffer amp (which is a true piece of art in the original, using a FET pair, a BJT pair and an opamp) with an instrumentation amp made of BiFET opamps.
The compander circuit, built around a CMOS transistor array, is like in the original, and it surely contributes to the specific sound. (It's discussed on my Storm Tide Flanger page.)

Voltage Controlled HADSR envelope generator
This one doesn't show the offset problems of OTA-based VC envelopes.

Storm Tide Flanger

QRS Interface for Quantec
 
JH PolyModular
Building a polyphonic Modular System has been a dream of mine for long. Some said it would never happen - they might still be right. (;->) But at least it's started now. I have converted my Yamaha CS-50 into a polyphonic keyboard controller, and the first module, the keyboard interface is finished. 
I have abandoned my previous ideas of making the connections current-mode rather than voltage mode, so the specs of inputs and outputs are closer to "standard" monophonic Modulars now. After all, I want to control my MOTM modules from the PolyModular as well (;->). 
Levels are +/-5V standard, with headroom up to +/-10V. (Modules beckoning for overdrive like filters will already be nonlinear at 5V input voltage, so a smaller input level must be set for linear operation.) 
Modules will have output attenuators rather than input attenuators. Polyphonic attenuating means one potentiometer and a set of VCAs. Therefore - as VCAs are needed in each module anyway - these VCAs will be accessible for external CVs as well (and not just to the manual output level knob), and we have a free VCA for every module. This makes the overhead for polyphonic control not as bad as it might look at first glance. 
Connectors are 5-pin (180 deg) DIN jacks (same as for Midi). This is good for 4 voice polyphonic CVs and GND. 
Keyboard control of VCOs is linear (V/Hz), all other frequency controls (like VCO modulation, filter cutoff) are exponential (V/Oct). So you have an expo converter in each VCO and you can use it if you're determined to use it - but it's insane to use it for keyboard control without autotune. It's far better to have one single expo function at a central point, like in the DAC of the CS-50 I used, or in the DAC of a V/Hz Midi-to-CV-Konverter.
Module 1: Interface

Interface Schematics, Sheet 1 (Postscript) Buffering and scaling of the CS-50's "K" signals (V/Hz keyboard voltage). Note the high resistor values retrofitted in the CS-50 - doesn't burn anything at short circuit or overvoltage. Minimum and maximum voltage detectors to derive monophonic high note and low note signals. (For Unison mode and for the two auxiliary monophonic outputs)
Interface Schematics, Sheet 2 (Postscript) The two monophonic channels. These have temperature compensated log converters for V/Oct outputs, and a circuit to detect steps in the CV to generate a Multiple Trigger output (optional): If multiple trigger is chosen, a transistor pulls the Gate down to 0V for 200us. The monophonic channels also have a wide range footage selector each, so you can choose in which octave range the Minimmog (or whatever) will double the PolyModular's and CS-50's low or high note. The BC550 transistors in the log converter are a typo; use a single chip pair here.
Interface Schematics, Sheet 3 (Postscript) Buffering and inverting the CS-50's "Tr" signals (negative going Gate signal) to standard positive 5V Gate signals. Each voice can be switched to Normal, Off and Drone. A LED indicated which voice is active. They also act as "zener" diodes to set the Gate output level. For unison mode the Gates are OR'ed together. For Multi Trigger (in Unison mode) a 3rd log converter and trigger detector is used. No typo with the transistors this time - no precision required for trigger detection.
Interface Schematics, Sheet 4 (Postscript) Some of the CS-50's internal modulation Signals are buffered and scaled as well. The Aftertouch, the main LFO (SUB Oscillator in Yamaha language), the Ring Modulator's oscillator and the PWM oscillator. A VCA is used to derive a "Touch LFO" from the SUB oscillator and Aftertouch. This is handy for Touch vibrato effects, for instance. These Modulation signals are routed to monophonic 1/4 jacks for monophonic use, and they are routed over potentiometers to the 5-pin PolyModular type jacks. (As these are monophonic signals, all 4 outputs are connected.)
Front Panel Graphics (PDF) It's a 19" 3U panel, created with Schaeffer Apparatebau's software. (FPD file available on request). Left half are the polyphonic 5-pin DIN outputs, right half are the monophonic auxiliary channels with 1/4" jacks.
 
 
Module 2: VCO

preliminary VCO core (partially tested - for discussion only)
 

 
 
Scanned schematics
Clock circuit of a high quality BBD delay from Dynacord SRS 56
Chorus / Ensemble from Crumar Performer
Yamaha IG00153 CS-80 VCO chip
How to build a fully polyphonic instrument in 1975: thyristor VCO, one-transitor VCF and one-transistor VCA. And don't forget the single opamp that works as saw wave buffer and PWM comparator ! click here. from Korg PE 1000 Polyphonic Ensemble
Opto electronic Traveler from Korg PE 1000 Polyphonic Ensemble
 
 
 
 
JH Minotaurus
Reproduction of the Moog Taurus VCF / VCA and its special envelope generators. 500k Pots were not available in the desired size (PCB mount 11mm pot), so I used a few cheap opamps and 10k standard values to simulate the 500k log pots. 
Special feature: This circuits adapts automatically to voltage trigger or switch trigger type GATE signals (circuit built around a CD 4066).
Minotaurus schematics sheet 1
Minotaurus schematics sheet 2
 
some JH-720 schematics
Important note: This is not a complete description to build a copy of my JH-720 Synthesizer. It should give a good impression of the circuit design and it's oddities nevertheless, and hopefully the synth-diy community will find some if it inspiring. I've taken the scans directly from the folder where I keep the JH-720 documents, so the drawings should be close to what I've actually built, but there is no guarantee that it will work exactly as presented. 
Many of these circuits are based on various Korg circuits, but the blend of different circuit parts, and some additions and optimizing, are my own. The circuits (speaking of my part, and not for Korg) are free for private, non-comercial use. (In particular, I don't want to find them in modules starting with "A-" of a German manufacturer starting with "D".)
JH-720 VCO Core One of two identical circuits. 
Linear Keyboard CV, exponential Modulation CV, Saw Wave Frequency Divider. 
Based on Korg MS-20 and Korg 700 circuits 
JH-720 VCO Waveform Converters Both VCOs shown. 
Based on Korg 800DV and Korg MS-20 circuits
JH-720 VCO Scanner Very simple version of the waveshaper part of the Interpolating Scanner: Evenly spaced rectangle functions instead of variable triangle functions, and no multiplying. 
JH-720 VCF One of two circuits. JH-720 has one HPF and one LPF. Both options shown in one drawing. 
JH-720 Keyboard An old Roland SH-2000 keyboard konverted to V/Hz, the defective Hall element replaced with a different one + discrete amplifier 
JH-720 VCA Based on Korg 700 VCA. Select diodes for identical drop voltage (+/-1mV)
JH-720 HADSR
 
 
Untested stuff
expo converter temperature compensation idea (untested!) No tempo resistor or chip heating required. Circuit works great in Spice, 
but is not tested on the breadboard yet.
expo converter with matched current source and current sink output untested!
 
Modifications
Make a 2 sec Looping Delay of your ADM1020 Effectron I RAM chips easy to add - two switches select 1s / 2s operation and 
Looping 
 
Some handwritten documents from the JH-4 synth
Introduction to JH-4 synth at Synthfool server
The Filter Scanner, VCA and Output Stage
The 4-pole part of the VCF built around a SSM2040-clone 
The 2-pole part of the VCF SEM-1A VCF clone with VC resonance
The circuit that controls the two VCF parts
 
Pictures
Compact Clone
JH-720 Solo Synthesizer
JH720 detail  oscillator section
JH-330 Vocal Filter  clone of Roland VP-330 vocal filter
Echo Units  Roland RE-201 Space Echo and Dynacord SRS 56
Dynacord SRS 56  close view
Amdek Delay Machine
Interpolating Scanner and 8 Octave Filter Bank of JH-3 Modular
JH Phase 12 Phase Shifter front panel, low res
JH Phase 12 looking inside
JH HiFli (based on EMS HiFli)  detail view of phaser section
JH-3 Detail Variable Slope Filter / Phaser, MS-20 Filter and VCA Modules 
FX Rack, high resolution picture from top to bottom: 
  Tube Amp (ECC83 + EL84) for CX-3 Organ 
  Clone Of Dynacord CLS-222 Lesley 
  Alesis Micro Gate and Limiters (which are built around one CEM chip, more or less) 
  Organ FX (Chorus/Vibrato, Mid Boost, Spring Reverb and optoelectronic VCA) 
  Yamaha TX81Z 
  JH-Phase 12 Phase Shifter (front panel now readable) 
  Kawai K1rII 
  My very first home built phaser (simply titled "JH Phaser" (;->) ) 
  JH MiniVoc - Paia Vocoder, different filters + Channel attenuators and Compressors 
  JH MinoTaurus - Clone of Moog Taurus VCF, VCA and EGs 
  JH-330 Vocal Filter (from Roland Vocoder Plus) 
  DeltaLab Effectron I 
Vocoder on the bench